Задвижка с обрезиненным клином представляет собой устройство, используемой для герметизации системы, а также для перекрытия потока среды и относится к особому виду запорной арматуры. Данный вид задвижки необходим для обеспечения непрерывной работы преимущественно трубопроводов, по которым транспортируется пар, питьевая или сточная вода, нефть или неагрессивные нефтепродукты. Помимо этого, заглушка нашла широкое применение в системах пожаротушения и в канализационных трубопроводах.
| Наименование параметров | Показатель |
| Условный проход | 40-1000 мм |
| Условное давление (кгс/см2) | 16 |
| Управление | маховик |
| Траб | от -25 до +130 градусов по Цельсию |
| Тмакс | +150 градусов по Цельсию |
| Направление подачи среды | любое |
| Рабочая среда |
вода в системах холодного и горячего водоснабжения, отопления, водоотведения, канализации, питьевая вода, морская вода, гликольные смеси, сточные воды, слабоагрессивные смеси |
| Присоединение к трубопроводу |
фланцевое. Ответные фланцы по ГОСТ 12815- 80. DN 32-150 - Ру 10;16 (кгс/см2). DN 200-800 - Ру 16 (кгс/см2) |
| Класс герметичности | А по ГОСТ Р 54808-2011 |
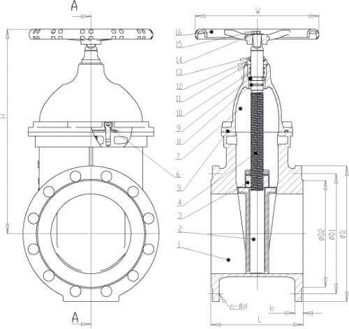
Запирающий элемент представляет собой клин, обработанный резиной (отсюда и название), а также содержащий заменяемую стержневую гайку в клиновом проеме. Упорное крепление фланцевого типа выполняется обжимным способом. Стержневой фланец задвижки имеет проход сквозь втулку и опирается на подошву гнезда головки. Для того, чтобы обеспечить стабильность положения, запирающий клин над фланцем дополнительно комплектуют проволочным кольцом. Крышка конструкции и задвижка соединяются при помощи специальных гнезд с парафиновым покрытием и винтов, а для того, чтобы избежать, от протекания используется резиновая профильная прокладка. Для покрытия используется два типа эпоксидных порошков: один — для воды, другой — для канализации. Некоторые устройства подходят для безколодезной установки. Задвижки отличаются так называемой «полнопроходной» конструкцией, то есть не сужаются ни на выходе, ни на входе. Использование устройства гарантирует полную герметичность трубопроводной конструкции даже в тех случаях, когда система периодически подвергается воздействию твердых частиц.

|
DN |
L |
ØD |
ØD1 |
ØD2 |
n-Ød |
H |
W |
||
|
PN10 |
PN16 |
PN10 |
PN16 |
||||||
| DN 40 | 140 | 150 | 110 | 110 | 84 | 4-18 | 4-18 | 240 | 160 |
| DN 50 | 150 | 165 | 125 | 125 | 102 | 4-18 | 4-18 | 250 | 180 |
| DN 65 | 170 | 185 | 145 | 145 | 122 | 4-18 | 4-18 | 265 | 180 |
| DN 80 | 180 | 200 | 160 | 160 | 138 | 8-18 | 8-18 | 300 | 200 |
| DN 100 | 190 | 220 | 180 | 180 | 158 | 8-18 | 8-18 | 350 | 200 |
| DN 125 | 200 | 250 | 210 | 210 | 188 | 8-18 | 8-18 | 410 | 220 |
| DN 150 | 210 | 285 | 240 | 240 | 212 | 8-22 | 8-22 | 450 | 250 |
| DN 200 | 230 | 340 | 295 | 295 | 268 | 8-22 | 12-22 | 550 | 280 |
| DN 250 | 250 | 405 | 350 | 355 | 320 | 12-22 | 12-26 | 650 | 320 |
| DN 300 | 270 | 460 | 400 | 410 | 367 | 12-22 | 12-26 | 710 | 350 |
| DN 350 | 290 | 520 | 460 | 470 | 431 | 16-22 | 16-26 | 762 | 450 |
| DN 400 | 310 | 580 | 515 | 525 | 482 | 16-26 | 16-30 | 836 | 450 |
| DN 450 | 330 | 640 | 565 | 585 | 550 | 20-26 | 20-30 | 957 | 640 |
| DN 500 | 350 | 715 | 620 | 630 | 611 | 20-26 | 20-33 | 1036 | 640 |
| DN 600 | 390 | 840 | 725 | 770 | 722 | 20-30 | 20-36 | 1188 | 640 |
| DN 600 с ред. | 390 | 840 | 725 | 770 | 722 | 20-30 | 20-36 | 1188 | редуктор |
| DN 700 | 430 | 910 | 840 | 840 | 794 | 24-30 | 24-30 | 1280 | редуктор |
| DN 800 | 470 | 1025 | 950 | 950 | 901 | 24-33 | 24-39 | 1678 | редуктор |
| DN 1000 | 550 | 1230 | 1160 | 1170 | 1112 | 28-37 | 28-45 | - | редуктор |
| 1 | корпус | чугун |
| 2 | клин | чугун, покрытый EPDM |
| 3 | гайка шпинделя | бронза |
| 4 | шпиндель | нержавеющая сталь |
| 5 | уплотнение крышки | EPDM |
| 6 | болт | углеродистая сталь |
| 7 | крышка | чугун |
| 8 | уплотнение (кольцо) | EPDM |
| 9 | кольцо | бронза |
| 10 | уплотнение (кольцо) | EPDM |
| 11 | уплотнение (кольцо) | EPDM |
| 12 | втулка | бронза |
| 13 | уплотнительное кольцо | EPDM |
| 14 | шайба | углеродистая сталь |
| 15 | болт | углеродистая сталь |
| 16 | маховик | чугун/сталь |
99.75 руб.
Фланец стальной плоский ГОСТ 12820-80 Ду 400 Ру 16
174 руб.
Фланец стальной плоский ГОСТ 12820-80 Ду 500 Ру 16
5.82 руб.
Фланец стальной плоский ГОСТ 12820-80 Ду 50 Ру 10