

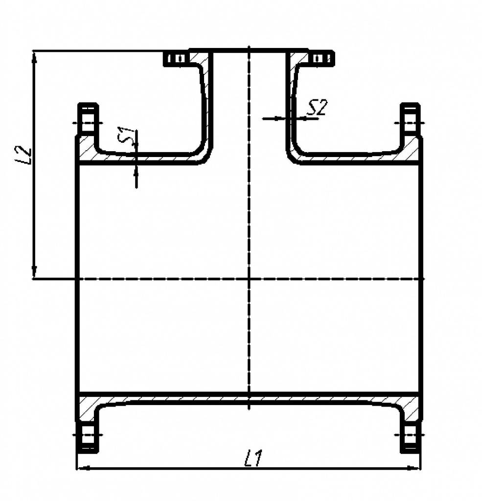
| Тройник фланцевый (ГОСТ) | ||||
| DNxDN | S1 | S2 | L1 | L2 |
| 80x80 |
7,0 |
7,0 |
300 |
150 |
| 100x80 |
7,2 |
70 |
400 |
175 |
| 100x100 |
7,2 |
7,2 |
400 |
200 |
| 125x80 |
7,5 |
7,0 |
450 |
175 |
| 125x100 |
7,5 |
7,2 |
450 |
175 |
| 125x125 |
7,5 |
7,5 |
450 |
225 |
| 150x80 |
7,8 |
7,0 |
500 |
200 |
| 150x100 |
7,8 |
7,2 |
500 |
200 |
| 150x125 |
7,8 |
7,5 |
500 |
200 |
| 150x150 |
7,8 |
7,8 |
500 |
250 |
| 200x80 |
8,4 |
7,0 |
600 |
225 |
| 200x100 |
8,4 |
7,2 |
600 |
225 |
| 200x125 |
8,4 |
7,5 |
600 |
225 |
| 200x150 |
8,4 |
7,8 |
600 |
225 |
| 200x200 |
8,4 |
8,4 |
600 |
300 |
| 250x100 |
9,0 |
7,2 |
600 |
250 |
| 250x150 |
9,0 |
7,8 |
600 |
250 |
| 250x200 |
9,0 |
8,4 |
600 |
275 |
| 250x250 |
9,0 |
9,0 |
600 |
300 |
| 300x80 |
9,6 |
7,0 |
600 |
275 |
| 300x100 |
9,6 |
7,2 |
600 |
275 |
| 300x150 |
9,6 |
7,8 |
600 |
275 |
| 300x200 |
9,6 |
8,4 |
600 |
300 |
| 300x250 |
9,6 |
9,0 |
600 |
300 |
| 300x300 |
9,6 |
9,6 |
600 |
300 |
| 350x100 |
10,2 |
7,2 |
600 |
300 |
| 350x150 |
10,2 |
7,8 |
600 |
300 |
| 350x200 |
10,2 |
8,4 |
600 |
300 |
| 350x250 |
10,2 |
9,0 |
600 |
325 |
| 350x350 |
10,2 |
10,2 |
700 |
350 |
| 400x100 |
10,8 |
7,2 |
600 |
325 |
| 400x150 |
10,8 |
7,8 |
600 |
325 |
| 400x200 |
10,8 |
8,4 |
600 |
350 |
| 400x250 |
10,8 |
9,0 |
600 |
350 |
| 400x300 |
10,8 |
9,6 |
800 |
350 |
| 400x400 |
10,8 |
10,8 |
800 |
400 |
| 500x100 |
12,0 |
7,2 |
600 |
375 |
| 500x200 |
12,0 |
8,4 |
600 |
400 |
| 500x400 |
12,0 |
10,8 |
800 |
425 |
| 500x500 |
12,0 |
12,0 |
1000 |
500 |
| 600x200 |
13,2 |
8,4 |
600 |
450 |
| 600x400 |
13,2 |
10,8 |
800 |
475 |
| 600x600 |
13,2 |
13,2 |
1100 |
550 |
| 700x200 |
14,4 |
8,4 |
800 |
500 |
| 700x400 |
14,4 |
10,8 |
1000 |
525 |
| 700x700 |
14,4 |
14,4 |
1200 |
600 |
| 800x200 |
15,6 |
8,4 |
800 |
550 |
| 800x400 |
15,6 |
10,8 |
1000 |
575 |
| 800x600 |
15,6 |
13,2 |
1400 |
625 |
| 800x800 |
15,6 |
15,6 |
1400 |
700 |
| 900x200 |
16,8 |
8,4 |
800 |
600 |
| 900x400 |
16,8 |
10,8 |
1000 |
650 |
| 900x600 |
16,8 |
13,2 |
1400 |
675 |
| 900x900 |
16,8 |
16,8 |
1500 |
750 |
| 1000x400 |
18,0 |
10,8 |
1000 |
700 |
| 1000x600 |
18,0 |
13,2 |
1400 |
725 |
| 1000x1000 | 18,0 | 18,0 | 1650 | 825 |
| Тройник фланцевый (ISO) | ||||
| DNxDN | S1 | S2 | L1 | L2 |
| 80x80 | 7,0 | 7,0 | 330 | 165 |
| 100x80 | 7,2 | 7,0 | 360 | 175 |
| 100x100 | 7,2 | 7,2 | 360 | 180 |
| 125x80 | 7,2 | 7,0 | 400 | 190 |
| 125x100 | 7,5 | 7,2 | 400 | 195 |
| 125x125 | 7,5 | 7,5 | 400 | 200 |
| 150x80 | 7,2 | 7,0 | 440 | 205 |
| 150x100 | 7,8 | 7,2 | 440 | 210 |
| 150x125 | 7,8 | 7,5 | 440 | 215 |
| 150x150 | 7,8 | 7,8 | 440 | 220 |
| 200x80 | 8,4 | 7,0 | 520 | 235 |
| 200x100 | 8,4 | 7,2 | 520 | 240 |
| 200x125 | 8,4 | 7,5 | 520 | 240 |
| 200x150 | 8,4 | 7,8 | 520 | 250 |
| 200x200 | 8,4 | 8,4 | 520 | 260 |
| 250x100 | 9,0 | 7,2 | 700 | 275 |
| 250x150 | 9,0 | 7,8 | 700 | 275 |
| 250x200 | 9,0 | 8,4 | 700 | 325 |
| 250x250 | 9,0 | 9,0 | 700 | 350 |
| 300x80 | 9,6 | 7,0 | 800 | 295 |
| 300x100 | 9,6 | 7,2 | 800 | 300 |
| 300x150 | 9,6 | 7,8 | 800 | 310 |
| 300x200 | 9,6 | 8,4 | 800 | 350 |
| 300x250 | 9,6 | 9,0 | 800 | 375 |
| 300x300 | 9,6 | 9,6 | 800 | 400 |
| 350x100 | 10,2 | 7,2 | 850 | 325 |
| 350x150 | 10,2 | 7,8 | 530 | 340 |
| 350x200 | 10,2 | 8,4 | 850 | 325 |
| 350x250 | 10,2 | 9,0 | 645 | 360 |
| 350x350 | 10,2 | 10,2 | 850 | 425 |
| 400x100 | 10,8 | 7,2 | 900 | 350 |
| 400x150 | 10,8 | 7,8 | 900 | 350 |
| 400x200 | 10,8 | 8,4 | 900 | 350 |
| 400x250 | 10,8 | 9,0 | 665 | 390 |
| 400x300 | 10,8 | 9,6 | 900 | 450 |
| 400x400 | 10,8 | 10,8 | 900 | 450 |
| 500x100 | 12,0 | 7,2 | 1000 | 400 |
| 500x200 | 12,0 | 8,4 | 1000 | 400 |
| 500x400 | 12,0 | 10,8 | 1000 | 500 |
| 500x500 | 12,0 | 12,0 | 1000 | 500 |
| 600x200 | 13,2 | 8,4 | 1100 | 450 |
| 600x400 | 13,2 | 10,8 | 1100 | 550 |
| 600x600 | 13,2 | 13,2 | 1100 | 550 |
| 700x200 | 14,4 | 8,4 | 650 | 525 |
| 700x400 | 14,4 | 10,8 | 870 | 555 |
| 700x700 | 14,4 | 14,4 | 1200 | 600 |
| 800x200 | 15,6 | 8,4 | 690 | 585 |
| 800x400 | 15,6 | 10,8 | 910 | 615 |
| 800x600 | 15,6 | 13,2 | 1350 | 645 |
| 800x800 | 15,6 | 15,6 | 1350 | 675 |
| 900x200 | 16,8 | 8,4 | 730 | 645 |
| 900x400 | 16,8 | 10,8 | 950 | 675 |
| 900x600 | 16,8 | 13,2 | 1500 | 705 |
| 900x900 | 16,8 | 16,8 | 1500 | 750 |
| 1000x200 | 18,0 | 8,4 | 770 | 705 |
| 1000x400 | 18,0 | 10,8 | 990 | 735 |
| 1000x600 | 18,0 | 13,2 | 1650 | 765 |
| 1000x1000 | 18,0 | 18,0 | 1650 | 825 |
99.75 руб.
Фланец стальной плоский ГОСТ 12820-80 Ду 400 Ру 16
174 руб.
Фланец стальной плоский ГОСТ 12820-80 Ду 500 Ру 16
5.82 руб.
Фланец стальной плоский ГОСТ 12820-80 Ду 50 Ру 10