Затвор дисковый поворотный межфланцевый — предназначен для регулировки движения перемещаемой среды в трубопроводе и при необходимости для ее остановки. Внешне затвор представляет собой никелированный сферический диск, изготовленный из чугуна марки GGG40 и покрытый эпоксидными полимерными красками для защиты от коррозии. Данный диск свободно вращается вокруг своей оси и может останавливаться в двух положениях: «открыто» и «закрыто». Управление осуществляется вручную, либо при помощи специального привода — поршневого, электрического либо мембранного. Данный тип арматуры подходит для работы с различными типами перемещаемых сред, в том числе:
| Наименование параметров | Показатель |
| Условный проход | 32-1200 мм |
| Условное давление (кгс/см2) | 16 |
| Управление | Рукоятка, редуктор, электропривод |
| Траб | от -25°C до +130°C |
| Тмакс | +150°C |
| Направление подачи среды | любое |
| Рабочая среда |
вода в системах холодного и горячего водоснабжения, отопления, питьевая вода, морская вода, воздух, гликольные смеси, слабоагрессивные среды |
| Присоединение к трубопроводу |
межфланцевое. Ответные фланцы по ГОСТ 12815-80. DN 32-150 - Ру 10;16 (кгс/см2). DN 200-1000 - Ру 16 (кгс/см2) |
| Класс герметичности | А по ГОСТ Р 54808-2011 |
Затвор поворотный имеет множество преимуществ, среди которых в первую очередь следует назвать небольшую массу. Это означает, что механизм может устанавливаться на абсолютно любых типах трубопроводов. Следует упомянуть также простую конструкцию и минимальное количество деталей, необходимых для монтажа. Такой затвор может установить любой рабочий, обладающий самыми минимальными знаниями. И, конечно же, нельзя забывать о цене: поворотный затвор при всем своем высоком качестве отличается вполне доступной стоимостью.

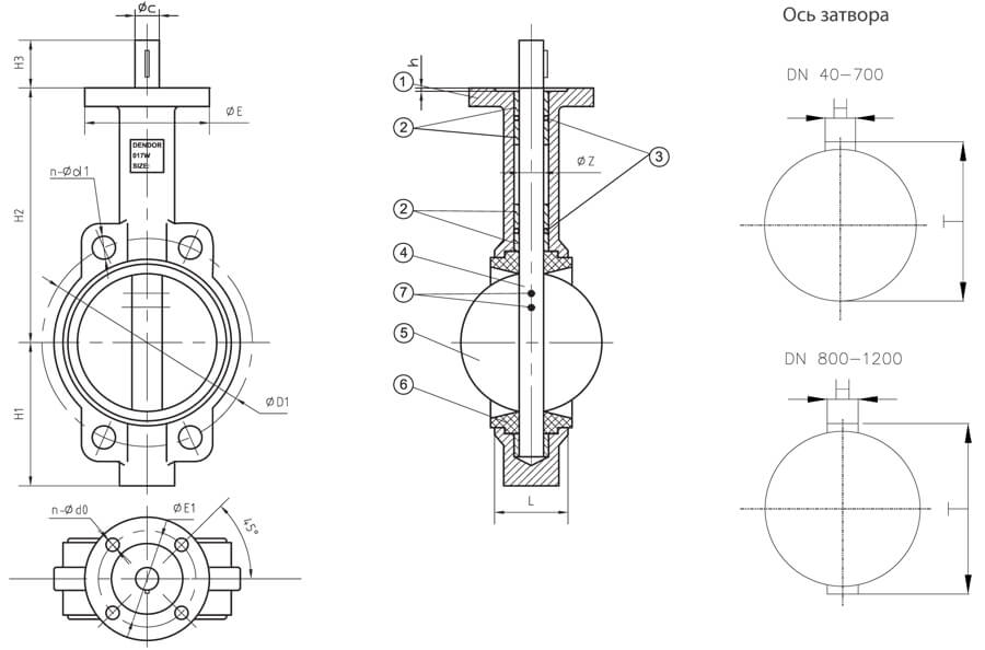
| DN | L | H1 | H2 | H3 | ØD1 | n-Ød1 | ØZ, Øc | ØE | ØE1 | n-Ød0 | T | H | Вес без привода, кг |
| DN 32 | 32 | 60 | 100 | 29 | 100 | 4-18 | 8,8 | 55 | 46 | 4-4 | - | - | 1,7 |
| DN 40 | 32 | 68 | 139 | 32 | 110 | 4-18 | 12.6 | 65 | 50 | 4-8 | 14,8 | 3 | 1,7 |
| DN 50 | 33 | 80 | 161 | 30 | 125 | 4-18 | 12,6 | 65 | 50 | 4-8 | 14,8 | 3 | 2,07 |
| DN 65 | 36 | 89 | 175 | 30 | 145 | 4-18 | 12,6 | 65 | 50 | 4-8 | 14,8 | 3 | 2,85 |
| DN 80 | 46 | 95 | 181 | 30 | 160 | 8-18 | 12,6 | 65 | 50 | 4-8 | 14,8 | 3 | 3,28 |
| DN 100 | 52 | 114 | 200 | 30 | 180 | 8-18 | 15,77 | 90 | 70 | 4-10 | 17,9 | 5 | 4,6 |
| DN 125 | 56 | 127 | 213 | 30 | 210 | 8-18 | 18,92 | 90 | 70 | 4-10 | 21,0 | 5 | 5,5 |
| DN 150 | 56 | 139 | 226 | 30 | 240 | 8-22 | 18,92 | 90 | 70 | 4-10 | 21,0 | 5 | 7,5 |
| DN 200 | 60 | 175 | 260 | 37 | 295 | 12-22 | 22,1 | 125 | 102 | 4-12 | 24,2 | 5 | 12,3 |
| DN 250 | 68 | 203 | 292 | 37 | 355 | 12-26 | 28,45 | 125 | 102 | 4-12 | 31,5 | 8 | 17,5 |
| DN 300 | 78 | 242 | 337 | 37 | 410 | 12-26 | 31,6 | 125 | 102 | 4-12 | 34,8 | 8 | 28,0 |
| DN 350 | 78 | 267 | 368 | 45 | 470 | 16-26 | 31,6 | 125 | 102 | 4-12 | 34,8 | 8 | 35,5 |
| DN 400 | 102 | 297 | 600 | 51,2 | 525 | 16-30 | 33,15 | 175 | 140 | 4-18 | 26,2 | 10 | 58,0 |
| DN 500 | 127 | 368 | 680 | 64,2 | 650 | 20-33 | 41,15 | 175 | 140 | 4-18 | 44,2 | 10 | 99,5 |
| DN 600 | 156 | 444 | 562 | 64,2 | 770 | 20-36 | 50,65 | 210 | 165 | 4-22 | 54,8 | 16 | 182,5 |
| DN 700 | 165 | 505,1 | 623,9 | 66 | 840 | 24-36 | 55 | 300 | 254 | 8-18 | 59,0 | 16 | 300,0 |
| DN 800 | 190 | 576 | 672 | 66 | 950 | 24-39 | 55 | 300 | 254 | 8-18 | 63,0 | 16 | 390,0 |
| DN 1000 | 216 | 701 | 800 | 142 | 1170 | 28-42 | 85 | 300 | 254 | 8-18 | 105,0 | 22 | 760,0 |
| DN 1200 | 276 | 844 | 940 | 162 | 1390 | 32-48 | 105 | 350 | 298 | 8-22 | 117,0 | 28 | 1095,0 |
| 1 | Корпус | ВЧШГ |
| 2 | Втулка (подшипник скольжения) вала | PTFE |
| 3 | Кольцо уплотнения вала |
EPDM NBR |
| 4 | Вал | Нержавеющая сталь |
| 5 | Диск | ВЧШГ с никелированным покрытием, нержавеющая сталь |
| 6 | Вкладыш уплотнения (седло) |
EPDM NBR VITON |
| 7 | Штифт | Нержавеющая сталь |
| Марка уплотнения | Рабочая температура среды |
Максимальная температура среды (кратковременная эксплуатация) |
Тип среды |
| EPDM | -25…+120°C | +130°C | Вода, воздух, кислотные, щелочные растворы, сыпучие среды, кислоты, щелочи |
| NBR | -15…+80°C | +100°C | Углеводороды и продукты переработки, гликольные смеси |
| VITON | -15…+180°C | +200°C | Концетрированные кислоты, углеводороды и продукты переработки |
99.75 руб.
Фланец стальной плоский ГОСТ 12820-80 Ду 400 Ру 16
174 руб.
Фланец стальной плоский ГОСТ 12820-80 Ду 500 Ру 16
5.82 руб.
Фланец стальной плоский ГОСТ 12820-80 Ду 50 Ру 10